Contact

Secratary's Office

+49 (0)441 798-3003

W02-1-169

How to get here

Mailing adress

Carl von Ossietzky University
Department of Medical Physics and Acoustics
Acoustics Group
26111 Oldenburg

Visitors

Carl von Ossietzky University
Department of Medical Physics and Acoustics
Acoustics Group
Carl-von-Ossietzky-Str. 9-11
26129 Oldenburg

Vibration Lab

Vibration Lab

In this laboratory, multiple aspects of human perception of vibration are investigated. Fundamental research on the perception of whole body vibrations is done with the vibration floor. The perception of vibration in passenger cars can be investigated with a "car simulator".

 

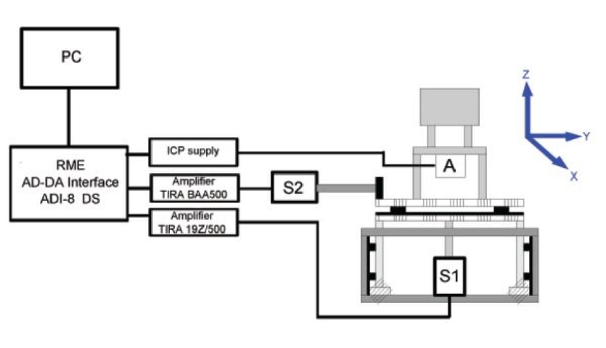
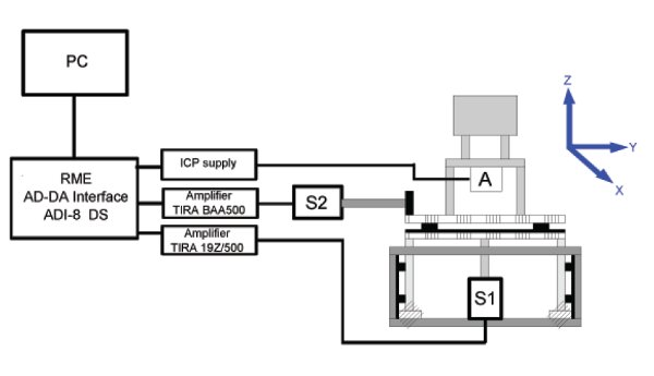
Vibration Floor

The vibration floor is a platform which is excited by two 200 N shakers, one for the vertical (Z) direction and one for the lateral (Y) direction. An outstanding feature of the system is that it hardly emits any sound which might influence the assessment given by the test subject.


The system has been used for measuring thresholds of vibration perception, just noticeable differences and equal-vibration level contours. In addition, the interaction between the perception of sound and vibration has been studied. 

Car simulator

In this "car simulator" a car seat is mounted on a rigid base, which itself is elastically supported. Reactive shakers for all three directions excite the plattform as well as the steering wheel. Sound is reproduced by loudspeakers or by headphones. A subwoofer can be used to extend the low frequency range.

This set-up has been extensively used to study the subjective rating of sound and vibration to derive metrics for modelling audio-vibratory quality inside passenger cars.

Audio-tactile perception

The interaction of the auditory and the vibrotactile perception can be studied with a small vibration pad and headphones in listening booths. This setup has been used to study the auditory-tactile integration in speech intelligibility and auditory-tactile synchronicity perception.

Webmaster (Changed: 11 Mar 2025)  Kurz-URL:Shortlink: https://uole.de/p32107en
Zum Seitananfang scrollen Scroll to the top of the page